Page Banner (Background)
Bomba de Diafragma FT025 No-Metálica de ¼”/ 6 mm
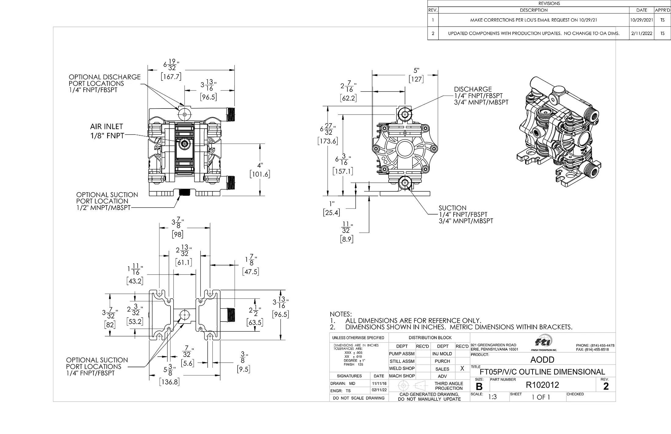
FTI AIR FT025P
Vista lateral de la bomba diafragma FTI AIR FT05P
FTI AIR FT025 ATEX
Vista lateral de la bomba diafragma FTI AIR FT05 ATEX

Especificaciones
Tamaño de succión y descarga: ¼” x ¼”
Ubicación de conexiones*: Extremos
Conexión Tipo: NPT / BSPT
Entrada & Salida de Aire: 1/8” FNPT FNPT
*Opcional NPT o BSPT ubicación del puerto central roscado en posición horizontal o vertical.
Capacidades
Caudal máximo: 5.8 gpm (22 lpm)
Presión máxima de suministro de aire: 100 psi (6.9 bar)
Desplazamiento por golpe: 0.005 gal (0.02 lit)
Presión mínima de entrada de aire: 10 psig (0.7 bar) - PTFE
Tamaño máximo de partícula: 0.06″ (1.8 mm)
Presión sonora: 65.3 dB(A)
Temperatura de funcionamiento: Determinada por elastómeros
Construcción
Materiales en contacto fluidos: Polipropileno, PVDF y Polipropileno Conductivo
Materiales del Diafragma: Neoprene, Santoprene™, FKM, EPDM, PTFE, Buna, Hytrel®, Polyurethane
Válvula de Aire: GFRPP, Acetal Conductivo
Materiales de las Bolas: Santopreno™y PTFE
Materiales de los Asientos: Polipropileno, PVDF, PTFE
Materiales O-ring: FEP/FKM, Santoprene™
Dimensiones & Pesos
Altura Máxima: 6-7/8” (174 mm)
Ancho Máximo: 5” (127 mm)
Profundidad Máxima: 6-5/8” (168 mm)
Peso - Polipropileno: 2.3 lb (1.0 kg)
Peso - PVDF: 3.1 lb (1.4 kg)

WhatsApp