Page Banner (Background)
Bomba de Diafragma FT10 Metálica de 1”/ 25 mm
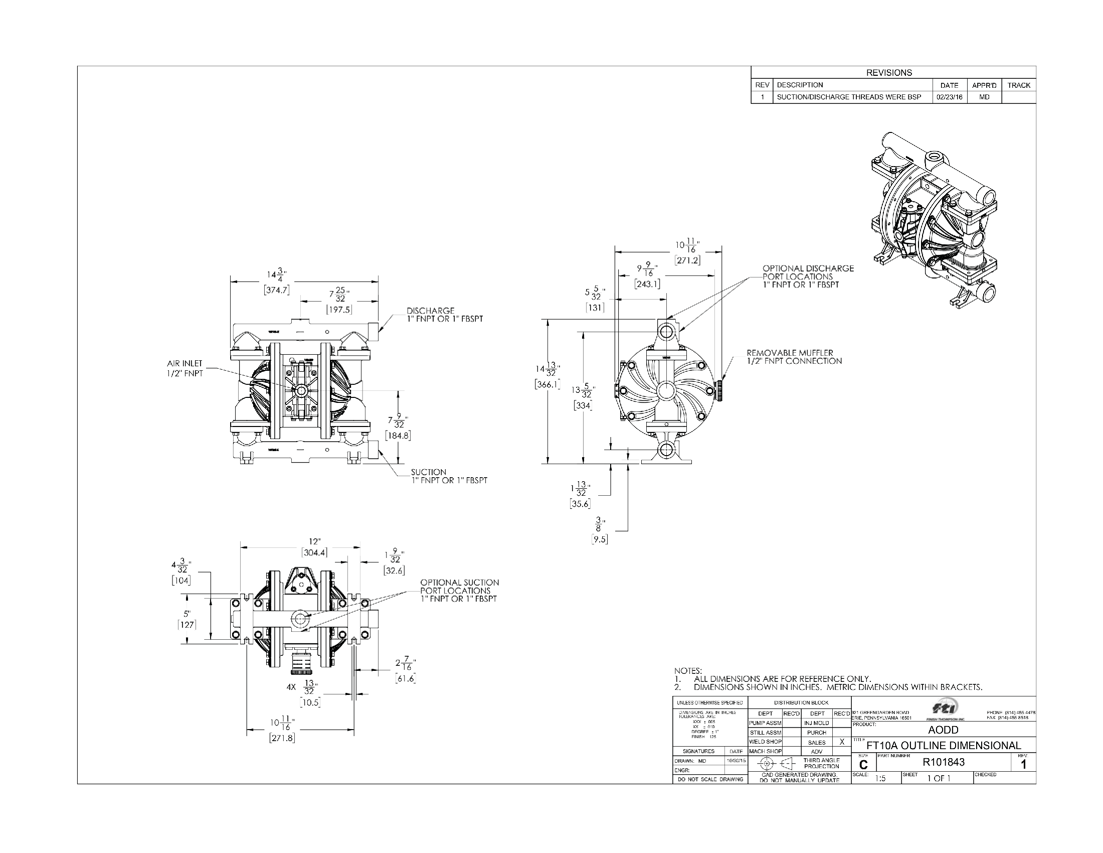
FTI AIR FT10M Aluminio FRENTE
Vista frontal de la bomba diafragma FTI AIR FT10m
FTI AIR FT10S SS316 LADO
Vista lateral de la bomba diafragma FTI AIR FT10S

Especificaciones
Tamaño de succión y descarga: 1” x 1”
Ubicación de conexiones*: Extremos
Conexión Tipo: NPT / BSPT
Entrada & Salida de Aire: 1/2” FNPT x 1/2” FNPT
*Opcional NPT o BSPT ubicación del puerto central roscado en posición horizontal o vertical.
Capacidades
Caudal máximo: 51 gpm (193 lpm)
Presión máxima de suministro de aire: 120 psi (8.3 bar)
Desplazamiento por golpe: 0.084 gal (0.32 lit)
Presión mínima de entrada de aire: 10 psig (0.7 bar) - PTFE
Tamaño máximo de partícula: 0.25″ (6.4 mm)
Presión sonora: 73.6 dB(A)
Temperatura de funcionamiento: Determinada por elastómeros
Construcción
Materiales en contacto fluidos: Aluminio, 316SS
Materiales del Diafragma: Neoprene, Santoprene™, FKM, EPDM, PTFE, Buna, Hytrel®, Polyurethane
Válvula de Aire: GFRPP, Aluminio
Materiales de las Bolas: Neopreno, Buna, FKM, EPDM, Santopreno™, PTFE
Materiales de los Asientos: Aluminio, 316SS, PTFE
Materiales O-ring: Buna, FKM, Santoprene™, Poliuretano, FEP/FKM
Dimensiones & Pesos (Acero Inoxidable)
Altura Máxima: 14-3/16” (360 mm)
Ancho Máximo: 14-5/16” (364 mm)
Profundidad Máxima: 10-11/16” (271 mm)
Peso: 48.7 lb (22.1 kg)
Dimensiones & Pesos (Aluminio)
Altura Máxima: 14-13/32” (366 mm)
Ancho Máximo: 14-3/4” (375 mm)
Profundidad Máxima: 10-11/16” (271 mm)
Peso: 34.2 lb (15.5 kg)

WhatsApp