Page Banner (Background)
Bomba de Diafragma FT30 Metálica de 3”/ 76 mm
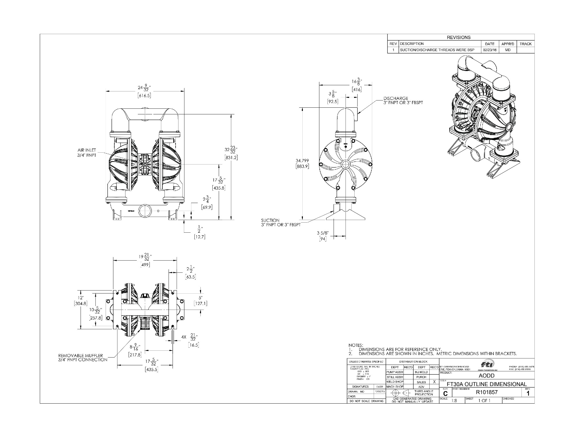
FTI AIR FT30 Aluminio
Vista frontal de la bomba diafragma FTI AIR FT30A
FTI AIR FT20S SS316 LADO
Vista lateral de la bomba diafragma FTI AIR FT15ZS

Especificaciones
Tamaño de succión y descarga: 3” x 3”
Ubicación de conexiones*: Centro
Conexión Tipo: NPT / BSPT
Entrada & Salida de Aire: ¾” FNPT x ¾” FNPT
*Opcional NPT o BSPT ubicación del puerto central roscado en posición horizontal o vertical.
Capacidades
Caudal máximo: 240 gpm (908 lpm)
Presión máxima de suministro de aire: 120 psi (8.3 bar)
Desplazamiento por golpe: 0.98 gal (3.7 lit)
Presión mínima de entrada de aire: 10 psig (0.7 bar) - PTFE
Tamaño máximo de partícula: 0.5″ (12.7 mm)
Presión sonora: 86.5 dB(A)
Temperatura de funcionamiento: Determinada por elastómeros
Construcción
Materiales en contacto fluidos: Aluminio, 316SS
Materiales del Diafragma: Neoprene, Santoprene™, FKM, EPDM, PTFE, Buna, Hytrel®, Polyurethane
Válvula de Aire: GFRPP, Aluminio
Materiales de las Bolas: Neopreno, Buna, FKM, EPDM, Santopreno™, PTFE
Materiales de los Asientos: Aluminio, 316SS, PTFE
Materiales O-ring: Buna, FKM, Santoprene™, Poliuretano, FEP/FKM
Dimensiones & Pesos (Acero Inoxidable)
Altura Máxima: 36-3/8” (924 mm)
Ancho Máximo: 24-9/32” (617 mm)
Profundidad Máxima: 16-3/8” (416 mm)
Peso: 235 lb (107 kg)
Dimensiones & Pesos (Aluminio)
Altura Máxima: 34-13/16” (884 mm)
Ancho Máximo: 24-9/32” (617 mm)
Profundidad Máxima: 16-3/8” (416 mm)
Peso: 155 lb (70 kg)

WhatsApp