| Especificaciones | |
| Tamaño de succión y descarga: | 1/2” x 1/2” |
| Ubicación de conexiones*: | Centro |
| Conexión Tipo: | NPT / BSPT |
| Entrada & Salida de Aire: | 1/4″ FNPT o BSPT |
| Capacidades | |
| Caudal máximo: | 15.5 gpm (58.7 lpm) |
| Presión máxima de suministro de aire: | 125 psi (8.6 bar) |
| Desplazamiento por golpe: | 0.029 gal (0.11 lit) |
| Presión mínima de entrada de aire: | 10 psig (0.7 bar) - PTFE / 20 psig (1.4 bar) - Santoprene |
| Tamaño máximo de partícula: | 1/16″ (1.59 mm) |
| Presión sonora: | 77.8 dB(A) |
| Temperatura de funcionamiento: | Determinada por elastómeros |
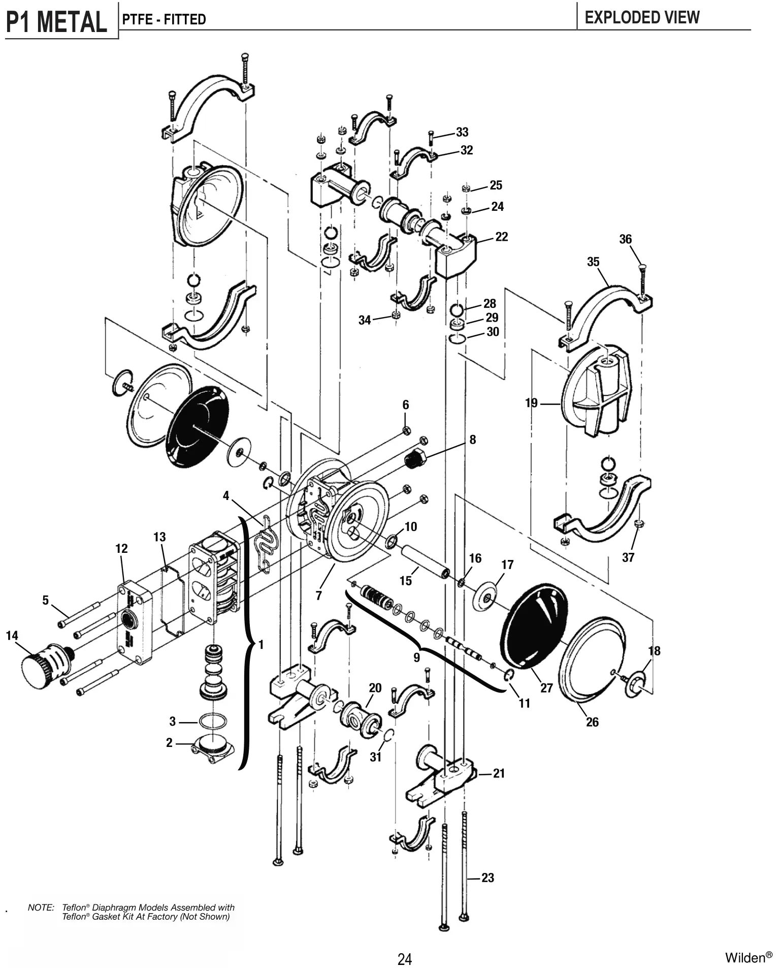
| Construcción | |
| Materiales en contacto fluidos: | Aluminio y Acero inoxidable |
| Materiales del Diafragma: | Santoprene™, Buna, PTFE |
| Válvula de Aire: | Polipropileno, Acetal |
| Materiales de las Bolas: | Santopreno™, Buna, PTFE |
| Materiales de los Asientos: | Aluminio, Buna, PTFE |
| Materiales O-ring: | Santoprene™, FEP/FKM |
| Dimensiones & Pesos | |
| Altura Máxima: | 224 mm |
| Ancho Máximo: | 208 mm |
| Profundidad Máxima: | 262 mm |
| Peso - Aluminio: | 13 lb (6 kg) |
| Peso - Acero Inoxidable: | 20 lb (9.2 kg) |